行程 10-100mm
一、產品介紹:
WYW22 微型 自恢復系列的線性位移傳感器用于空間受限情況下的位移和長度測量。鋁制外殼做陽極電泳處理,外觀靚麗,耐腐蝕性強 . 由于內部采用導電塑料,產品可以在流暢運行的基礎上輸出低噪順滑信號。這種傳感器通過外置彈簧實現自動恢復功能,所以連接方式非常簡單,只需要把測頭接觸在被測目標就可以了。歸因于電阻軌道的線性修刻技術,提供給您的不僅是合乎要求的線性度,而且可以隨您所愿的將電阻修刻到您指定的數值,例如 5678Ω或者8765Ω
二、技術參數:
|
可用電性行程 |
10~100mm |
|
電性總行程 |
11~101mm( 可用行程上加 1mm) |
|
機械行程 |
15~105mm( 可用行程上加 1mm) |
|
總長度 |
115~295mm |
|
直徑 |
18*18mm |
|
電阻 |
10~25mm 1K Ω ,50~100mm 5 K Ω |
|
線性度 |
≤ 0.1% |
|
工作電壓 |
24VDC |
|
輸出信號 |
0~5V,0~10V,4 ~ 20mA |
|
工作溫度 |
-50℃--+150℃ |
|
振動頻率 |
5 ~ 2000HZ |
|
使用速度 |
10m/s max |
|
震動系數 |
20g |
|
沖擊系數 |
50g |
|
壽命 |
>100*1000000ycles |
|
防水防塵能力 |
IP65 |
|
接口 |
滾珠測頭或者滾動軸承測頭 |
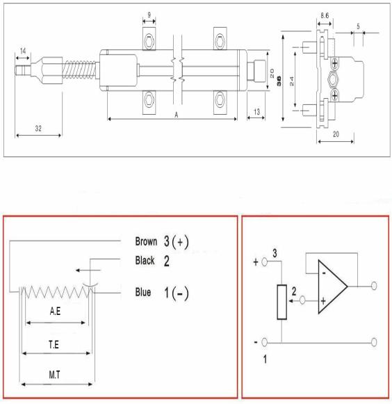
三、接線定義

1 號棕色為電源正極, 2 號黑色為信號線, 3 號藍色為電源負極
四、機械尺寸圖

聲明:
以上表中所列數據,是在環境溫度 25 ℃,相對濕度 52% ,傳感器作為分壓器使用時(電刷電流不超過 1 μ A )的情況下的測試結果





