一、產品簡介:
CP-2型柱式稱重傳感器為全密封雙球頭結構采用氬弧焊接,防水、防塵能力達到IP68等級要求。 承載方式為壓式,動態反應快,防過載能力強, 安裝容易使用方便。可用于制造電子汽車衡、動 態軌道衡、大噸位料斗稱等衡器。
二、技術指標:
|
量程 |
20~45t |
輸入電阻 |
1150±15Ω |
|
靈敏度 |
2.00±0.010 mV/V |
輸出電阻 |
1050±5Ω |
|
非線性 /滯后/重復性 |
± 0.02%FS |
絕緣電阻 |
≥ 5000 MΩ |
|
蠕 變 |
± 0.02%FS |
供橋電壓 |
10(DC/AC) V |
|
零點輸出 |
± 1.00%FS |
工作溫度 |
- 20~+60℃ |
|
零點溫度影響 |
± 0.02%FS/10℃ |
安全過載 |
120%FS |
|
輸出溫度影響 |
± 0.02%FS/10℃ |
材質 |
合金鋼 |
|
連接方式 |
輸入:紅(+)黑(-) 輸出:綠(+) 白(-) |
||
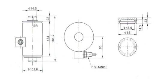
三、外形尺寸:

|
量程 |
20t 50KLb 45t 100KLb |
|
不銹鋼外殼,焊接密封,特殊結構低重心強性體,適合于各類汽車衡使用。 |
|





